Back to home page
Back to audio electronics page
Back to KT66 main page

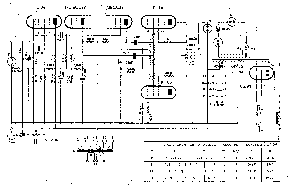
Leak TL12

Amplifier & Power Supply

Back to Top