Back to home page
Back to audio electronics page
Even if I do prefer classical supplies, regulated supplies can be helpful in some circuits like heaters, screens or bias.
Such supplies are often realised with dedicated integrated circuits nowadays but it's still interesting to give a look at old designs to understand the basics.
A fixed supply of 6, 9 or 12V, max output 1A.

A variable supply 0-15V, max output 1A.

A fixed supply 53V, max output 2A.

Schematics by Rainer zur Linde from his book "Build your own Audio Valve
Amplifiers".
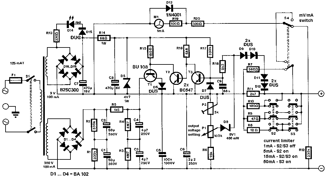
Output 10-350V up to 50mA.

Schematics by Rainer zur Linde from his book "Build your own Audio Valve
Amplifiers".
Output 190-320V up to 50mA.

Schematics by Rainer zur Linde from his book "Build your own Audio Valve
Amplifiers".
Output 100-250V.

Schematics by Rainer zur Linde from his book "Build your own Audio Valve
Amplifiers".
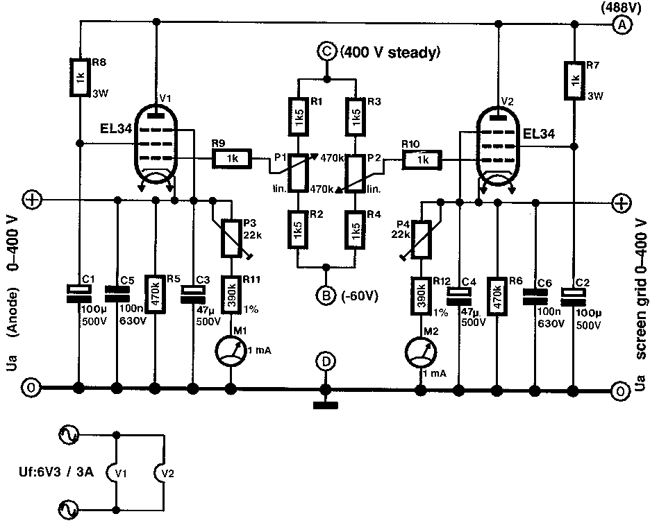
Output 60-400V up to 150mA. The second EL34 is optional for more output current.

This second stage allows two indipendent positive voltages.
