Back to home page
Back to audio electronics page


Kaneda Preamp

Preamplifier

Schematic by Mr Kaneda published in "L'Audiophile".

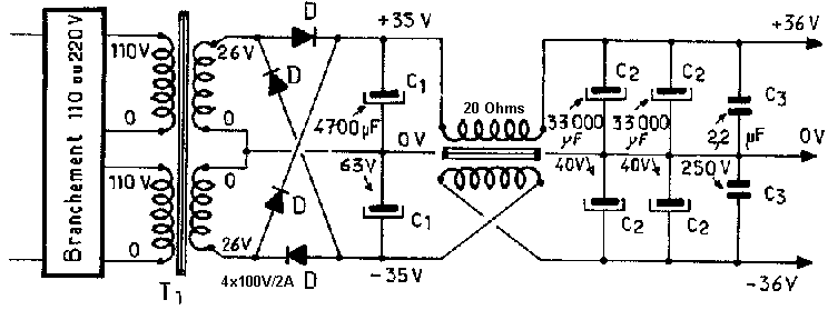
Power Supply

Back to top