Back to home page
Back to audio electronics page
Back to EL84 main page

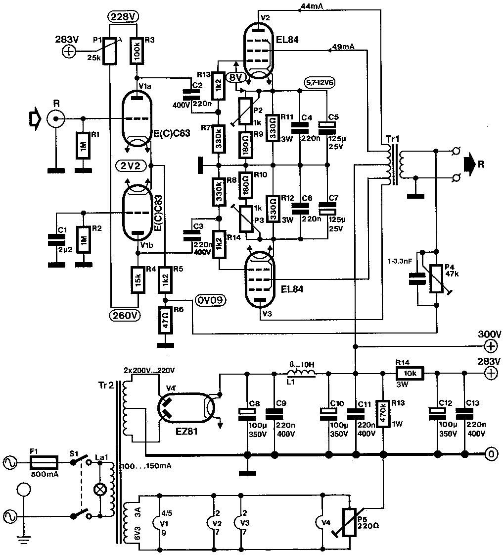
EL84 Push-Pull 4

Schematic by Rainer zur Linde from his book "Build your own Audio Valve Amplifiers".

Amplifier & Power Supply

Back to Top