Back to home page
Back to audio electronics page
Back to EL34 main page
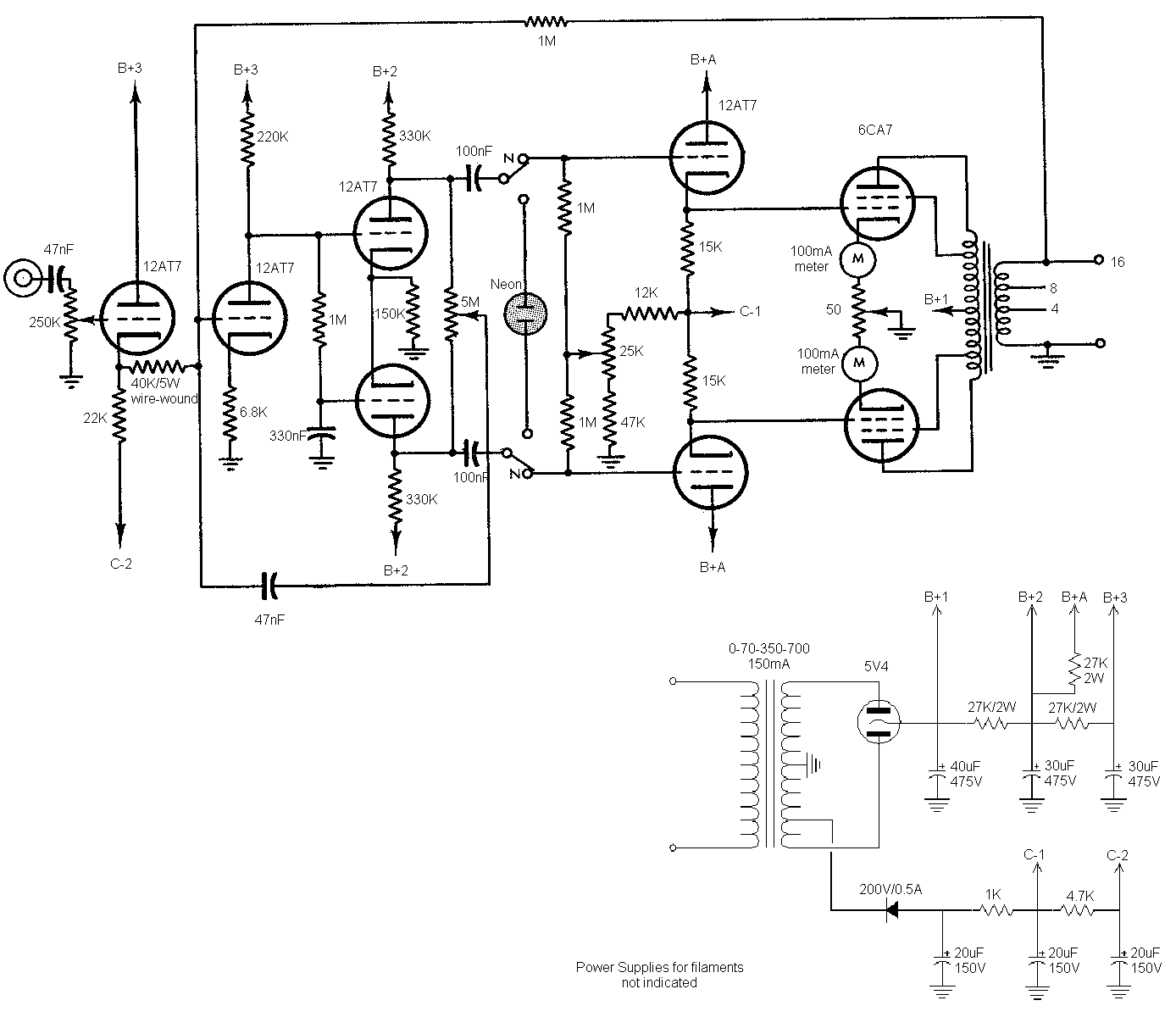
Schematic by Charles P. Boegli (April 1961). Power 50W.
This schematic uses a global negative feedback but also a positive feedback including the
stages 2 and 3.
Amplifier adjustments:
- set the 5M potentiometer to its mid-point
- disconnect the final stage and connect the neon lamp
- adjust the 5M potentiometer until the beginning of an oscillation is visible at the neon
- reconnect the final stage and disconnect the neon
- adjust the current in each final tube to 50mA
- after a month, check and readjust this value to 50mA
Amplifier & Power Supply
