Back to home page
Back to audio electronics page
Back to 6336A main page
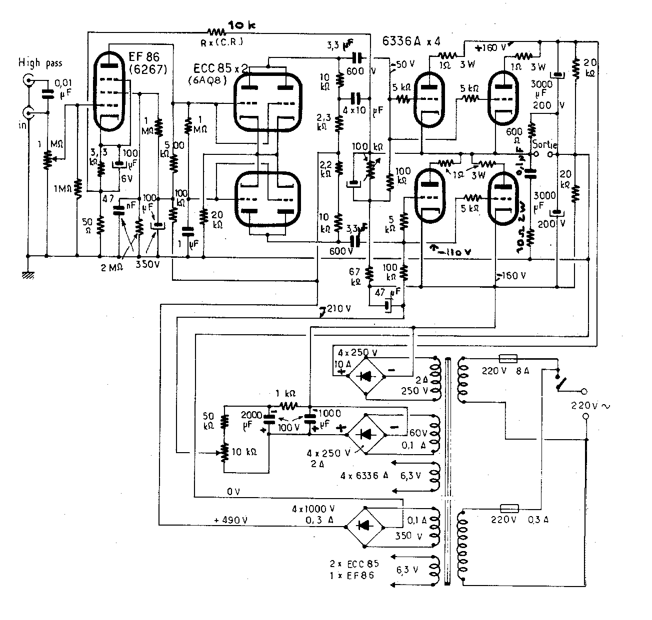
Taki OTL (Output Transformer Less) amplifier.
!!! Warning !!! Some reported that this schematic has an error: the 500K
resistor on the plate of the EF86 seems to be incorrect and should be replaced
by a 150K resistor.
