Back to home page
Back to audio electronics page


Menu:


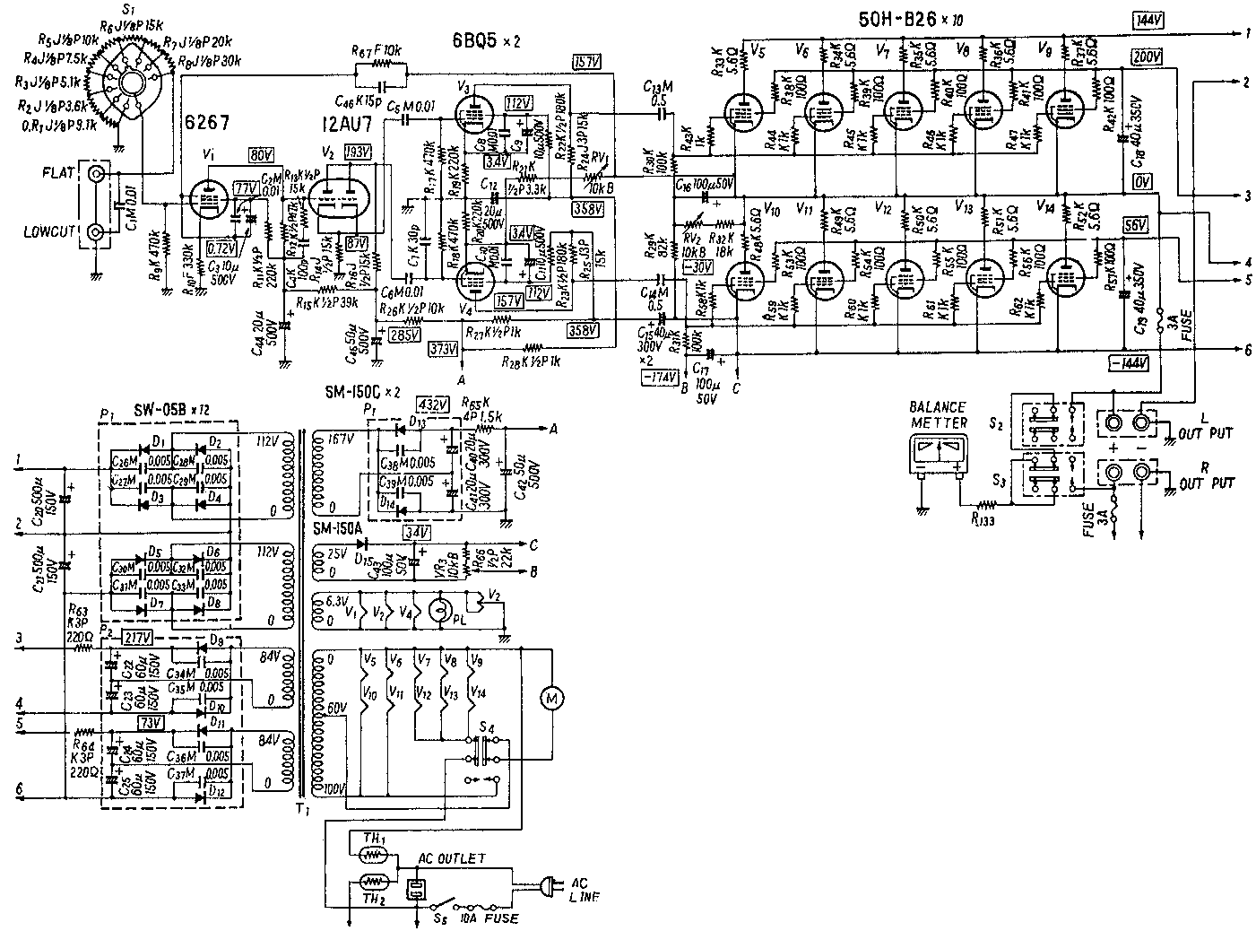
50H-B26 Push-Pull OTL

Amplifier & Power Supply

Technics 20A (around 1965). Power 75W, output 16 Ohms.

Back to Top